Vga To Hdmi Cable Wiring Diagram . This device takes the vga signal and. welcome to our comprehensive tech tutorial! Use either a stereo mini to rca or an rca to rca (both male connections), which depends on the output you get with your sound card. to use the converter, you need a vga to vga cable (male connections_ along with an audio cable. the wiring diagram for converting vga to hdmi typically involves using a vga to hdmi converter box or adapter. 🖥️ in this video, we'll guide you. get a detailed circuit diagram for a vga to hdmi converter, a device that allows you to connect a vga video signal to an hdmi display. get the schematic for vga to hdmi conversion and learn how to connect and convert the signals to display vga output on an hdmi display.
from diy.tntuservices.com
Use either a stereo mini to rca or an rca to rca (both male connections), which depends on the output you get with your sound card. 🖥️ in this video, we'll guide you. This device takes the vga signal and. the wiring diagram for converting vga to hdmi typically involves using a vga to hdmi converter box or adapter. to use the converter, you need a vga to vga cable (male connections_ along with an audio cable. welcome to our comprehensive tech tutorial! get a detailed circuit diagram for a vga to hdmi converter, a device that allows you to connect a vga video signal to an hdmi display. get the schematic for vga to hdmi conversion and learn how to connect and convert the signals to display vga output on an hdmi display.
Diy Hdmi To Vga Wiring Diagram DIY Craft
Vga To Hdmi Cable Wiring Diagram the wiring diagram for converting vga to hdmi typically involves using a vga to hdmi converter box or adapter. get a detailed circuit diagram for a vga to hdmi converter, a device that allows you to connect a vga video signal to an hdmi display. Use either a stereo mini to rca or an rca to rca (both male connections), which depends on the output you get with your sound card. welcome to our comprehensive tech tutorial! the wiring diagram for converting vga to hdmi typically involves using a vga to hdmi converter box or adapter. 🖥️ in this video, we'll guide you. This device takes the vga signal and. to use the converter, you need a vga to vga cable (male connections_ along with an audio cable. get the schematic for vga to hdmi conversion and learn how to connect and convert the signals to display vga output on an hdmi display.
From 2020cadillac.com
Hdmi To Vga Pinout Diagram Manual EBooks Hdmi To Vga Wiring Vga To Hdmi Cable Wiring Diagram the wiring diagram for converting vga to hdmi typically involves using a vga to hdmi converter box or adapter. This device takes the vga signal and. get the schematic for vga to hdmi conversion and learn how to connect and convert the signals to display vga output on an hdmi display. to use the converter, you need. Vga To Hdmi Cable Wiring Diagram.
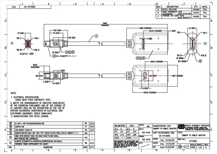
From manuallibraryingram.z5.web.core.windows.net
Hdmi To Vga Cable Wiring Diagram Vga To Hdmi Cable Wiring Diagram get a detailed circuit diagram for a vga to hdmi converter, a device that allows you to connect a vga video signal to an hdmi display. to use the converter, you need a vga to vga cable (male connections_ along with an audio cable. welcome to our comprehensive tech tutorial! the wiring diagram for converting vga. Vga To Hdmi Cable Wiring Diagram.
From upgreen41.blogspot.com
Diy Hdmi To Vga Wiring Diagram Upgreen Vga To Hdmi Cable Wiring Diagram the wiring diagram for converting vga to hdmi typically involves using a vga to hdmi converter box or adapter. get the schematic for vga to hdmi conversion and learn how to connect and convert the signals to display vga output on an hdmi display. 🖥️ in this video, we'll guide you. get a detailed circuit diagram for. Vga To Hdmi Cable Wiring Diagram.
From annawiringdiagram.com
Hdmi To Vga Wiring Diagram Wiring Diagram Vga To Hdmi Cable Wiring Diagram get a detailed circuit diagram for a vga to hdmi converter, a device that allows you to connect a vga video signal to an hdmi display. This device takes the vga signal and. welcome to our comprehensive tech tutorial! get the schematic for vga to hdmi conversion and learn how to connect and convert the signals to. Vga To Hdmi Cable Wiring Diagram.
From www.pinterest.com
14 Hdmi To Vga Wiring Diagram Addict Throughout เทคโนโลยี Vga To Hdmi Cable Wiring Diagram This device takes the vga signal and. to use the converter, you need a vga to vga cable (male connections_ along with an audio cable. get the schematic for vga to hdmi conversion and learn how to connect and convert the signals to display vga output on an hdmi display. the wiring diagram for converting vga to. Vga To Hdmi Cable Wiring Diagram.
From upgreen41.blogspot.com
Diy Hdmi To Vga Wiring Diagram Upgreen Vga To Hdmi Cable Wiring Diagram 🖥️ in this video, we'll guide you. get a detailed circuit diagram for a vga to hdmi converter, a device that allows you to connect a vga video signal to an hdmi display. get the schematic for vga to hdmi conversion and learn how to connect and convert the signals to display vga output on an hdmi display.. Vga To Hdmi Cable Wiring Diagram.
From kdi-ppi.com
Understanding the Basics of HDMI Cable Wiring Vga To Hdmi Cable Wiring Diagram the wiring diagram for converting vga to hdmi typically involves using a vga to hdmi converter box or adapter. get the schematic for vga to hdmi conversion and learn how to connect and convert the signals to display vga output on an hdmi display. Use either a stereo mini to rca or an rca to rca (both male. Vga To Hdmi Cable Wiring Diagram.
From dxopchqkn.blob.core.windows.net
Hdmi To Vga Adapter Diagram at Lori Hudson blog Vga To Hdmi Cable Wiring Diagram get the schematic for vga to hdmi conversion and learn how to connect and convert the signals to display vga output on an hdmi display. Use either a stereo mini to rca or an rca to rca (both male connections), which depends on the output you get with your sound card. the wiring diagram for converting vga to. Vga To Hdmi Cable Wiring Diagram.
From upgreen41.blogspot.com
Diy Hdmi To Vga Wiring Diagram Upgreen Vga To Hdmi Cable Wiring Diagram Use either a stereo mini to rca or an rca to rca (both male connections), which depends on the output you get with your sound card. to use the converter, you need a vga to vga cable (male connections_ along with an audio cable. the wiring diagram for converting vga to hdmi typically involves using a vga to. Vga To Hdmi Cable Wiring Diagram.
From 2020cadillac.com
Hdmi To Vga Wiring Diagram Cadician's Blog Vga To Hdmi Cable Wiring Diagram 🖥️ in this video, we'll guide you. welcome to our comprehensive tech tutorial! This device takes the vga signal and. the wiring diagram for converting vga to hdmi typically involves using a vga to hdmi converter box or adapter. get the schematic for vga to hdmi conversion and learn how to connect and convert the signals to. Vga To Hdmi Cable Wiring Diagram.
From www.got2bwireless.com
Wiring Diagram Skema Converter Hdmi To Vga Database Vga To Hdmi Cable Wiring Diagram get a detailed circuit diagram for a vga to hdmi converter, a device that allows you to connect a vga video signal to an hdmi display. 🖥️ in this video, we'll guide you. This device takes the vga signal and. welcome to our comprehensive tech tutorial! get the schematic for vga to hdmi conversion and learn how. Vga To Hdmi Cable Wiring Diagram.
From onlyfootball.fr
[DIAGRAM] Hdmi To Vga Wire Diagram And Colors FULL Version HD Quality Vga To Hdmi Cable Wiring Diagram Use either a stereo mini to rca or an rca to rca (both male connections), which depends on the output you get with your sound card. the wiring diagram for converting vga to hdmi typically involves using a vga to hdmi converter box or adapter. 🖥️ in this video, we'll guide you. get a detailed circuit diagram for. Vga To Hdmi Cable Wiring Diagram.
From wiredataelblogaustralce.z22.web.core.windows.net
Hdmi Cable Wiring Color Vga To Hdmi Cable Wiring Diagram the wiring diagram for converting vga to hdmi typically involves using a vga to hdmi converter box or adapter. welcome to our comprehensive tech tutorial! get the schematic for vga to hdmi conversion and learn how to connect and convert the signals to display vga output on an hdmi display. to use the converter, you need. Vga To Hdmi Cable Wiring Diagram.
From www.got2bwireless.com
Hdmi To Vga Converter Wiring Diagram Database Vga To Hdmi Cable Wiring Diagram get the schematic for vga to hdmi conversion and learn how to connect and convert the signals to display vga output on an hdmi display. This device takes the vga signal and. to use the converter, you need a vga to vga cable (male connections_ along with an audio cable. 🖥️ in this video, we'll guide you. . Vga To Hdmi Cable Wiring Diagram.
From mydiagram.online
[DIAGRAM] Wiring Diagram For Vga To Hdmi Vga To Hdmi Cable Wiring Diagram the wiring diagram for converting vga to hdmi typically involves using a vga to hdmi converter box or adapter. get the schematic for vga to hdmi conversion and learn how to connect and convert the signals to display vga output on an hdmi display. welcome to our comprehensive tech tutorial! This device takes the vga signal and.. Vga To Hdmi Cable Wiring Diagram.
From mydiagram.online
[DIAGRAM] Wiring Diagram For Vga To Hdmi Vga To Hdmi Cable Wiring Diagram to use the converter, you need a vga to vga cable (male connections_ along with an audio cable. 🖥️ in this video, we'll guide you. get a detailed circuit diagram for a vga to hdmi converter, a device that allows you to connect a vga video signal to an hdmi display. the wiring diagram for converting vga. Vga To Hdmi Cable Wiring Diagram.
From schematicbraituiptb2.z4.web.core.windows.net
Hdmi To Vga Circuit Diagram Vga To Hdmi Cable Wiring Diagram to use the converter, you need a vga to vga cable (male connections_ along with an audio cable. Use either a stereo mini to rca or an rca to rca (both male connections), which depends on the output you get with your sound card. get a detailed circuit diagram for a vga to hdmi converter, a device that. Vga To Hdmi Cable Wiring Diagram.
From www.pinterest.com
Hdmi Wiring Diagram Exp Gdc To Mpcie Expresscard M Vga Cable 950×624 In Vga To Hdmi Cable Wiring Diagram the wiring diagram for converting vga to hdmi typically involves using a vga to hdmi converter box or adapter. to use the converter, you need a vga to vga cable (male connections_ along with an audio cable. Use either a stereo mini to rca or an rca to rca (both male connections), which depends on the output you. Vga To Hdmi Cable Wiring Diagram.